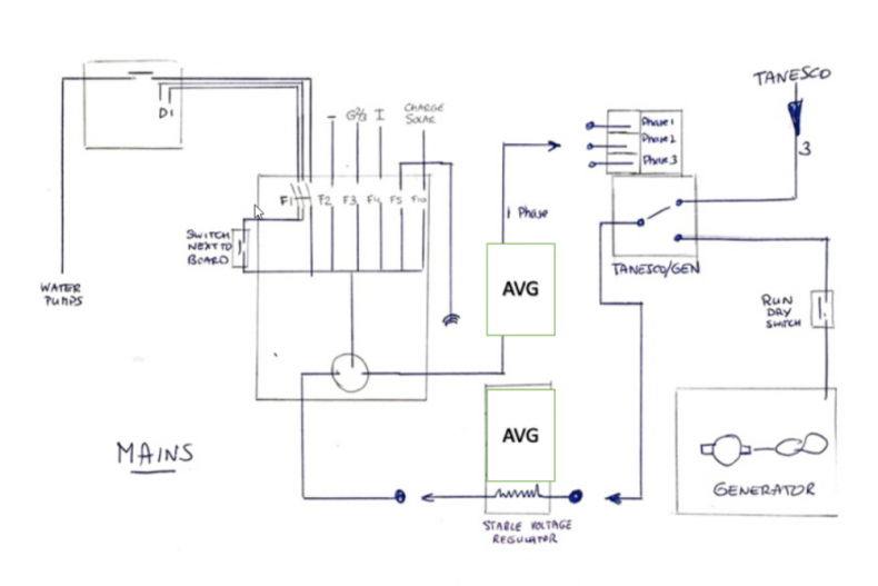
A new voltage regulator now protects our electrical system, keeping the lights on and our children safe and comfortable at night.
For many years, we struggled with sudden power surges from Tanzania’s national electricity provider, TANESCO. These spikes often caused our lights — mostly relatively expensive LED bulbs — to burn out. This not only led to high replacement costs but also had a direct impact on our children. At times, they had to eat dinner in near darkness or were afraid to go to the toilet at night because there was no light.
“Especially for the younger children, this was very frightening,” explains one of the mamas. “Without light, they feel insecure - particularly when they have to walk to the bathroom in the dark.”
To solve this problem, we recently installed a voltage regulator (AVG). This device absorbs sudden fluctuations in the power supply and protects our electrical system from damage. Since then, the number of broken lights has dropped dramatically, and our children can now rely on steady, safe lighting.
“The difference is remarkable,” says James, our Village Manager. “We no longer have to constantly replace lamps, and the children clearly feel more comfortable.”
Although this was a costly technical improvement, it has made a significant difference to the daily well-being and safety of our children.
Major Road Maintenance Underway to the Children’s Village
Essential repairs are being carried out on the “Malaika Kids Road,” ensuring safe and reliable access to the Children’s Village - even during the rainy season.
Ten health visits later: Doctor Simon back in Tanzania
After his tenth visit to Malaika Kids in Tanzania, Dr. Simon Cooper, a retired physician from the United Kingdom, has again seen over 140 children through our various programs.
A Strong Foundation for Young Minds
Education lies at the heart of the Children’s Village. From nursery to primary school, every child has the chance to learn, grow, and dream.